1. 引 言 公司对铝法兰在装配过程中出现了断裂情况,该法兰材质是 ZAl Si7Mg。为了查明断裂原因,对法兰进行了失效分析。
2 断口检测 2.1 断口宏观检测 试件原貌见图 1,取样前断口形貌如图 2 所示,裂纹最宽的凸台表面恰好是断裂源位置( 见图 3 中箭头 1) ,开放射状花样沿凸台周向扩展,断面呈黑灰色,可能为氧化或污染色,是早期开裂的陈旧断口。新鲜断口呈亮灰色,可分为 3 个部分: ( 1) 由早期开裂断口继续向法兰厚度方向扩展至另一表面( 见图 3 中箭头 2) ; ( 2) 沿径向扩展至一螺栓孔处( 见图 3 中箭头 3) ; ( 3) 在早期开裂部位的侧表面可见细密新鲜断口( 见图 3 中箭头 4) 。断口较齐,放射状花样明显,显示脆性断裂特征。


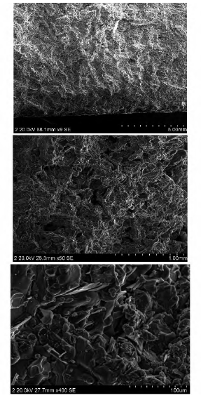
2. 2 断口微观检测 用扫描电镜观察了断口的微观形貌,结果如图4 所示,断口为组织特征明显的脆性断裂,断面可见缩松缺陷。


|